北京东方盛业科技有限公司
DE NORA核心授权代理商
手机:13601106808
电话:86-10-62969596/62969597
传真:86-10-82896562
邮箱:sales@sino-prosper.com
网址:www.sino-prosper.com
地址:北京市海淀区上地信息路1号2 号楼2402
简介:
机械隔膜式计量泵普遍适用于低压力范围。以最小的服务活动,他们提供了有效的成本/性能比。
高计量精度和强大的技术。
功能:
电机的旋转运动通过涡轮及偏心轮转化为冲程的往复运动。在液力端中连杆将冲程活动传递到计量隔膜上。在泵运行时两个单向阀防止计量介质的回流。电机驱动隔膜计量泵可以调节流量,电机转速和冲程长度。
应用领域:
♦ 一般情况下,化学品加药流量超过1000 l/h
♦ 饮用水处理:投加消毒剂
♦ 冷却循环水:投加消毒剂
♦ 污水处理:投加絮凝剂
♦ 造纸行业:投加添加剂
♦ 塑料生产:投加添加剂
优点:
♦ 流量范围广
♦ 计量精度高,即使压力波动的情况下(特性曲线平滑适应压力的变动)确保化学药品节约和精确的流程控制
♦ 在较高的流量范围内稳健有吸引力的价值驱动
♦ 通过冲程长度和电机转速调整可以灵活控制,在自动化进程中实现简单集成和改进
♦ 通过带隔膜破损显示或信号输出而且具有过载保护的多层安全隔膜,确保最佳安全
Vario电机隔膜计量泵:
计量范围:VAMc:8-64 l/h,10-4 bar;VAMd:17-120 l/h,12-3.5 bar电机驱动隔膜计量泵适合简单的工作任务。特别适合连续计量的要求。
Sigma/1电机隔膜计量泵:
计量范围:17-120 l/h,12-4 bar有不带内部电子控制系统的基本型和带内部电子控制系统的外控型,可快速和可靠地调整以完成不同的计量任务。PROFIBUS®-DP或CanOpen接口。
Sigma/2电机隔膜计量泵:
计量范围:50-350 l/h, 16-4 bar 有不带内部电子控制系统的基本型和带内部电子控制系统的外控型,可快速和可靠地调整以完成不同的计量任务。PROFIBUS®-DP或CanOpen接口。
Sigma/3电机隔膜计量泵:
计量范围:145-1030 l/h, 10-4 bar有不带内部电子控制系统的基本型和带内部电子控制系统的外控型,可快速和可靠地调整以完成不同的计量任务。PROFIBUS®-DP或CanOpen接口。
卫生级计量泵:卫生级计量泵装有不锈钢泵头。满足EHEDG(欧洲卫生工程设计集团)的所有要求。
Plasma电机隔膜计量泵:
计量范围:10-400 l/h具有设计合理,计量精度高,运行安全可靠,坚固耐用及操作简便等特点。
Meta电机计量泵:
计量范围:40-1000 l/h 结构紧凑,节省能源,提供高精度计量,是高品质计量泵。可以使用多个泵头。
Hydro电机计量泵:
流量范围:7-150 l/h;压力范围:100-25 bar。
Makro TZ机械隔膜计量泵:
流量:TZMa:190-2500 l/h; TZMb:260-2100 l/h 压力:TZMa:12-3 bar; TZMb:12-4 bar
Meta 电机计量泵简介:
Meta电机计量泵选型:
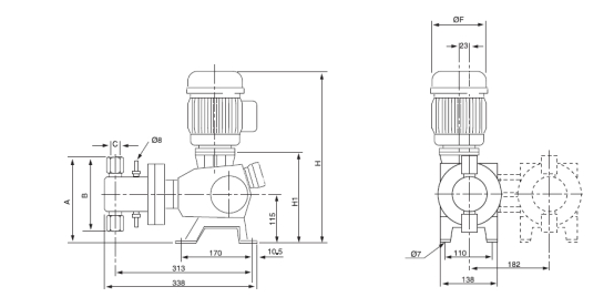
Meta电机计量泵尺寸:




