北京东方盛业科技有限公司
DE NORA核心授权代理商
手机:13601106808
电话:86-10-62969596/62969597
传真:86-10-82896562
邮箱:sales@sino-prosper.com
网址:www.sino-prosper.com
地址:北京市海淀区上地信息路1号2 号楼2402
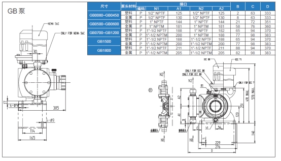
主要参数:
♦ 最大流量:1800L/H。
♦ 最高压力:1.2MPaG。
♦ 0-100%连续可调(运行/停止均可),机械驱动PTFE膜片。
♦ 最大吸程:4米水柱。
♦ 最大入口压力:0.2MPaG。
♦ 允许物料最高温度:40摄氏度。
特点:
♦ 平滑脉冲设计,无冲击
♦ 冲程在静态及动态条件下均可调节
♦ 多种材质及泵头结构可选
♦ 可选配电动冲程控制器
♦ 机械驱动PTFE膜片
♦ 最大液体温度40 ℃*
♦ 手动/ 自动冲程调节可选
♦ 稳态精度±2%(10%~100%)
♦ 冲程可调0~100%(自动/手动)
主要部件材质:
选型
外形尺寸:




